Controlling 12v PWM heater and fan in a fridge and freezer Combo

Hi, everyone.

I wanted to control the fridge compartment of my fridge and freezer Combo (Fisher & Paykel E521T). I am thinking of removing the 12v DC Fan with PWM and 12v Low ambient heater with PWM from fisher & paykel motherboard and connect it to BrewPi Spark v2.

I just found this online:-

From my understanding:-
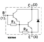
Sprak v2 5v pin (PWM) connect to the TIP-122 Base (B) pin.
The 12V fan connect to the TIP-122 Collector © pin and the Emitter (E) pin connect to the Ground.

Question is:-
Will PWM work if I connect it to BrewPi Spark v2 this way?

Thanks in advance.

Justin

Hi Justin,

We do not support fast PWM in our software now. Only slower PWM, with a period of 4 seconds or more.

Please see this thread for options on how to switch the 12V with a 5V signal from the Spark.

Elco

Thank, Elco. I just realized there are many different forms of PWM.